Able to support a load weighing up to 20kg
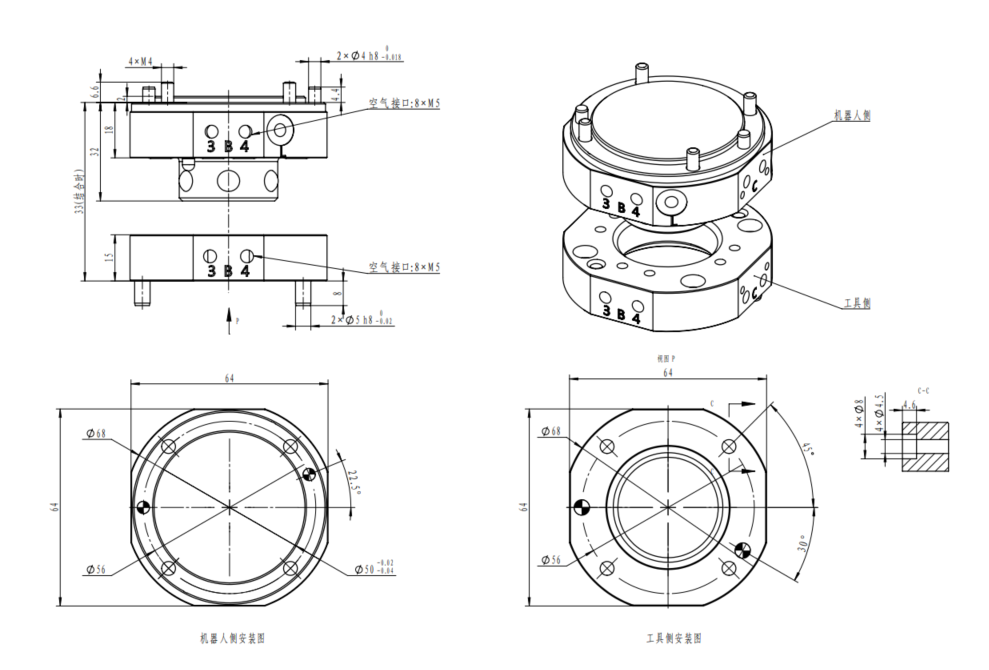
With 8 air channels and 4 module mounting surfaces
Combined body weight: 320g
Overall dimension: Φ68mm×H33mm
Connected to Yaskawa-MH24 and Fanuc-M10ia 6-axis robots directly through flange
Equipped with a basic IO module, a face detection module, and a high frequency module and an external sensor module
| Main body | Payload | 20kg | |
| Repeat accuracy | ±0.02mm | ||
| Static Moment Capacity | Bending moment | 56.8N·m | |
| Torque moment | 78.4N·m | ||
| Material | Main body | Aluminium alloy | |
| Locking mechanism | Alloy steel | ||
| Shape size (locked) | φ68mm×H33mm | ||
| Product weight | Robot side body | 220g | |
| Tool side body | 100g | ||
| Weight of main plate with sensor | 500g | ||
| Tool disc weight with sensor | 120g | ||
| Lock/Unlock mechanism | Spring self-resetting locking | ||
| Lock/Unlock Pressure | 0.45~0.8MPa(4~7kgf/cm2) | ||
| Permitted temperature and humidity | 0-55°C,0-95% | ||
| General | Air Port | 8x M5 | |

