Able to support a load weighing up to 120kg or 150kg
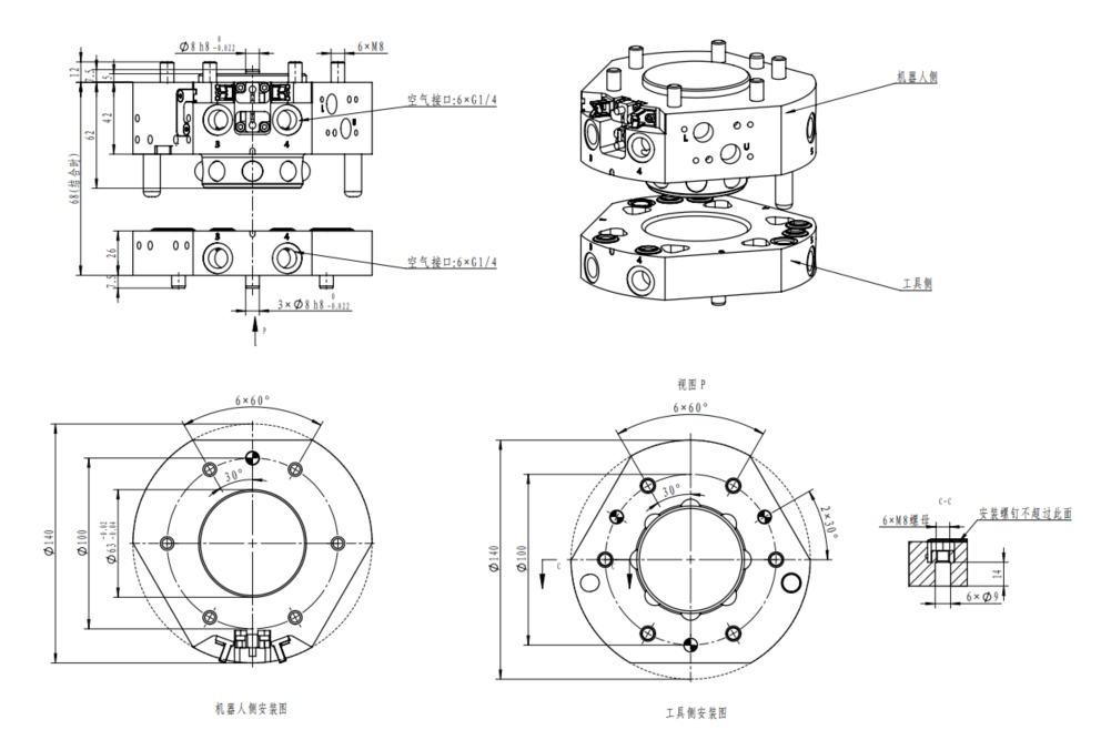
With 6 air channels and 3 module mounting surfaces
Overall dimension: Φ140mm×H68mm
Connected through flanges in line with ISO9409-100-6-M8
Equipped with a basic IO module, supporting up to 60 IOs and up tp 20 air channels as standard
| Main body | Specification | QT-120 | QT-120S | |
| Static Moment Capacity | 120kg | 150kg | ||
| Repeat accuracy | ±0.02mm | +0.02mm | ||
| Static Moment Capacity | Bending moment | 962N·m | 1260N·m | |
| Torque moment | 962N·m | 1260N·m | ||
| Material | Main body | Aluminium alloy | Aluminium alloy | |
| Locking mechanism | Alloy steel | Alloy steel | ||
| Shape size (locked) | φ140mmxH68mm | φ140mmxH68mm | ||
| Product weight | Robot side body | 2.345kg | 2.345kg | |
| Tool side body | 0.685kg | 0.8kg | ||
| Lock/Unlock mechanism | Spring self-resetting locking | |||
| Lock/Unlock Pressure | 0.45~0.8MPa | |||
| Permitted temperature and humidity | 0-55°℃,0-95% | |||
| General | Air Port | 6×G1/4(Non-Self Sealing) | ||
| Control body | Cylinder motion sensor | Lock sensor | A proximity switch Inside (DC three-wire) | |
| Unlock sensor | A proximity switch Inside (DC three-wire) | |||
| Surface detection sensor | TOOL Cirming | A proximity switch Inside (DC three-wire) | ||

