Able to support a load weighing up to 350kg
With standardized modules and multiple module mounting surfaces, supporting up to 219 IOs, 4 servos and 40 air channels
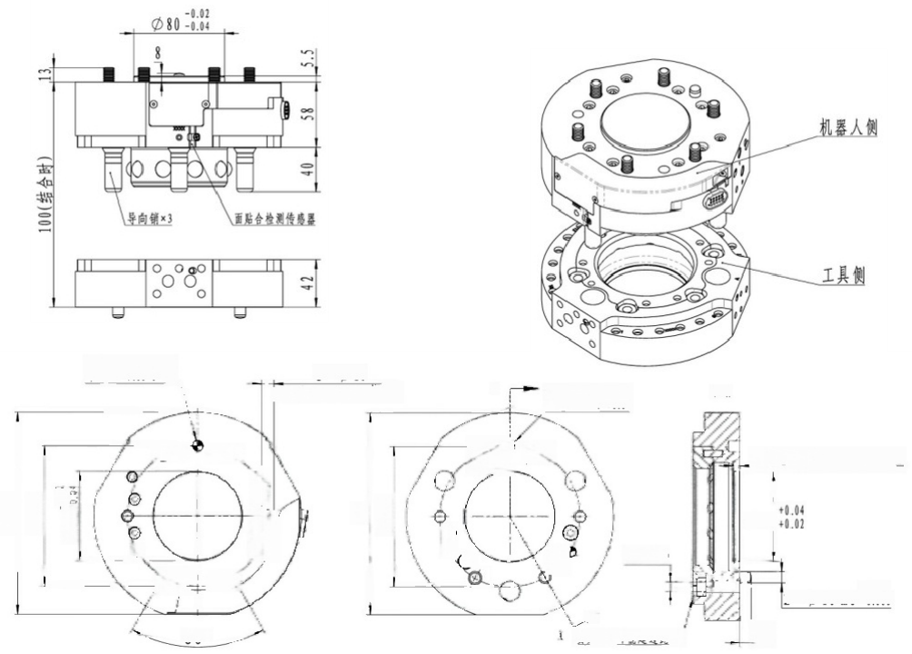
Equipped with an unlocking sensor, a locking sensor and a face in-place sensor as standard
Overall dimension: Φ185mm×H100mm
Connected through flanges in line with ISO9409-125-6-M10
Equipped with a Gigabit network module, a servo module and a parking station solution
| Item | parameters | Item | parameters |
| Maximum handling weight | 350kg | Permissible ambient temperature range | 0~55℃ |
| conjunction height | 100mm | Permissible ambient humidity range | 0~95% |
| Mounting Flange | ISO 9409-1-125-6-M10 | Emergency release function | able fulfill (conditions or requirements) |
| Locking structure | Self-replicating organization | Air break protection function | able fulfill (conditions or requirements) |
| Allowable cylinder pressure | 0.5Mpa~1.0Mpa | Fit in place detection | proximity switch |
| Repeat Positioning Accuracy | ±0.01mm | Teaching aids | able fulfill (conditions or requirements) |
| Static allowable bending moment | 2600N.m | Static allowable torque | 2600N.m |

