Able to support a load weighing up to 650kg
With standardized modules, multiple module mounting surfaces and strong non-standard adaptability
Applicable to tool changing in mainstream welding, riveting, handling, and binding processes
| Main body | Payload | 650kg | |
| Repeat accuracy | ±0.01mm | ||
| Static Moment Capacity | Bending moment | 5000N·m | |
| Torque moment | 5000N·m | ||
| Material | Main body | Aluminium alloy | |
| Locking mechanism | Alloy steel | ||
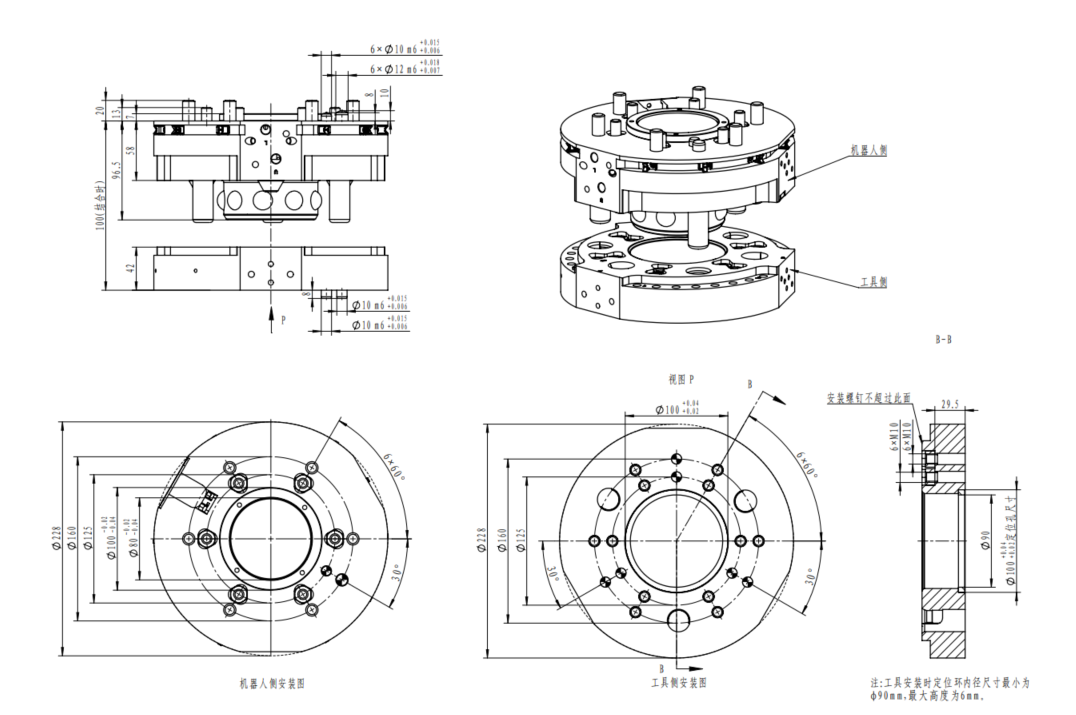
| Shape size (locked) | φ228mmxH100mm | ||
| Product weight | Robot side body | 7.75kg | |
| Tool side body | 4.45kg | ||
| Lock/Unlock mechanism | Spring self-resetting locking | ||
| Lock/Unlock Pressure | 0.45~0.8MPa | ||
| Permitted temperature and humidity | 0-55°C,0-95% | ||
| Control body | Cylinder motion sensor | Lock sensor | A proximity switch Inside (DC three-wire) |
| Unlock sensor | A proximity switch Inside (DC three-wire) | ||
| Surface detection sensor | TOOL Cirming | A proximity switch Inside (DC three-wire) | |

