Load 2060kg
Standardized modules, multiple module mounting surface, strong non-standard adaptability
Adaptation to mainstream welding, riveting, handling, rolled edge switching process
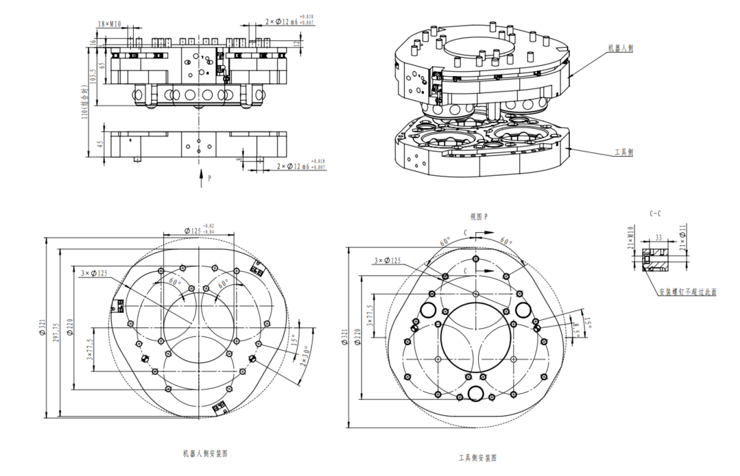
Overall dimension Φ321mm×H110mm
| Main body | Payload | 2060kg | |
| Repeat accuracy | ±0.02mm | ||
| Static Moment Capacity | Bending moment | 12800N·m | |
| Torque moment | 12800N·m | ||
| Material | Main body | Aluminium alloy | |
| Locking mechanism | Alloy steel | ||
| Locking mechanism | φ321mmxH110mm | ||
| Product weight | Robot side body | 19kg | |
| Tool side body | 7.3kg | ||
| Lock/Unlock mechanism | Spring self-resetting locking | ||
| Lock/Unlock Pressure | 0.45~0.8MPa | ||
| Permitted temperature and humidity | 0-55°C,0-95% | ||
| Control body | Cylinder motion sensor | Lock sensor | Three proximity switch Inside (DC three-wire) |
| Unlock sensor | Three proximity switch Inside (DC three-wire) | ||
| Surface detection sensor | TOOL Cirming | Three proximity switch Inside (DC three-wire) | |

